Last updated: Feb 26, 2026


Land Parcel
Towers
Floors
Config
Carpet Area
RERA NO.
Possession Status
Target Possession
RERA Possession
Litigation
V B Panchpakhdi Project Overview
V B Veer Sapphire will be constructed on 0.55 acre of land parcel, 1 tower with G+1C+5P+13 floors having 1 BHK, 2 BHK, 3 BHK premium residences.
V B Veer Sapphire location
Project is located Near Mohan Kopekar Rd, Louis Wadi, Panchpakhdi, Thane with -
EEH - 800m
Thane Railway Station - 2.2km
Viviana Mall - 2.4km
V B Veer Sapphire Panchpakhdi Amenities
First is Internal amenities -
Vitrified Flooring, Internal walls finished gypsum, CP Fittings, Video door & many more
V B Group Panchpakhdi External Amenities
Project has 10+ luxurious amenities with likes of -
Gymnasium
Kids Play Area
Yoga Zone
Indoor Games & Many More
V B Group Sapphire Panchpakhdi Parking -
Project has one type of car parking facility:
1) Podium
V B Veer Sapphire Possession -
Rera Possession - December 2029
Target Possession - December 2027
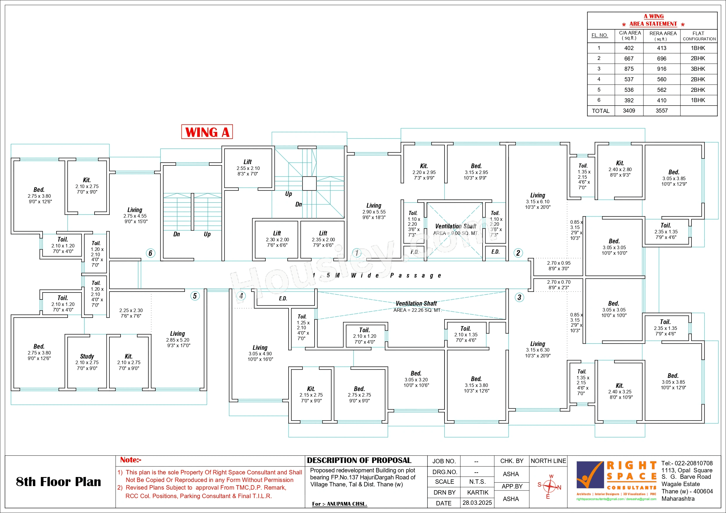
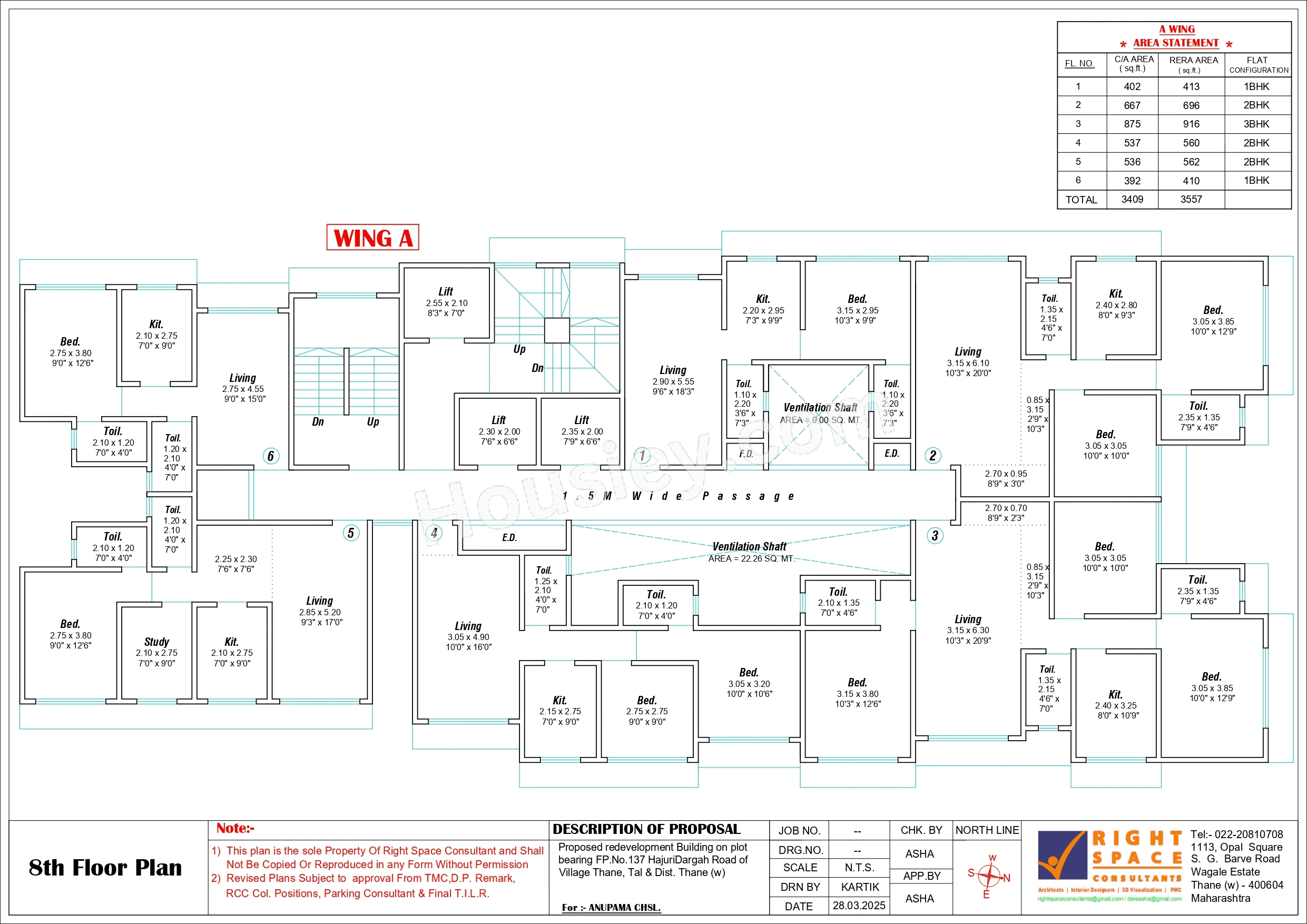
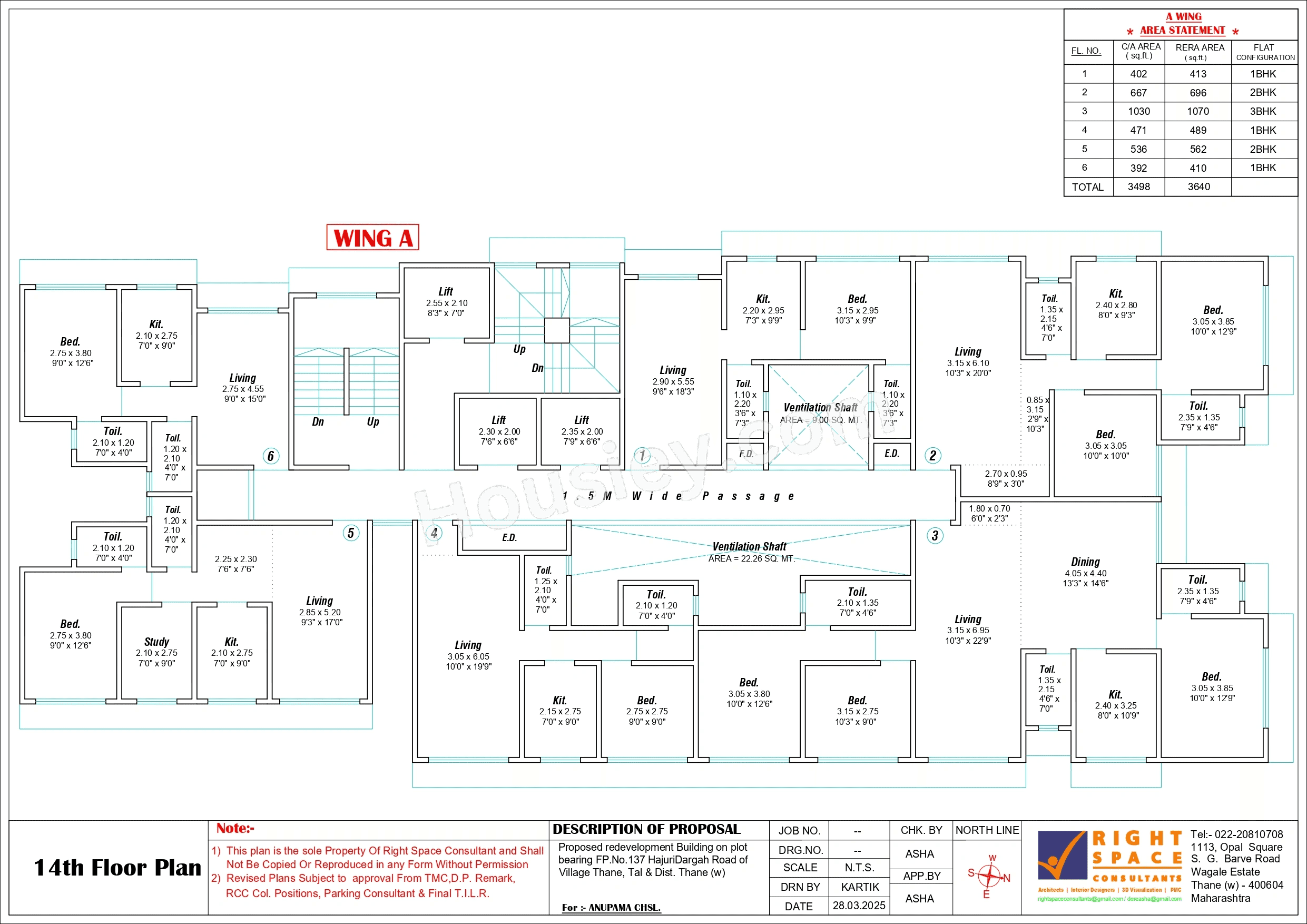
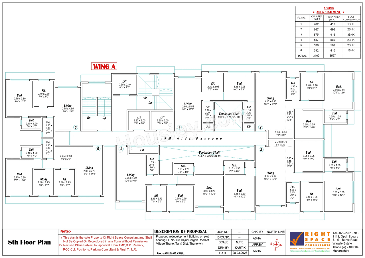
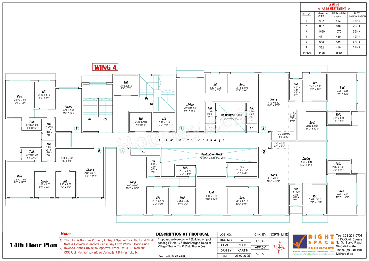
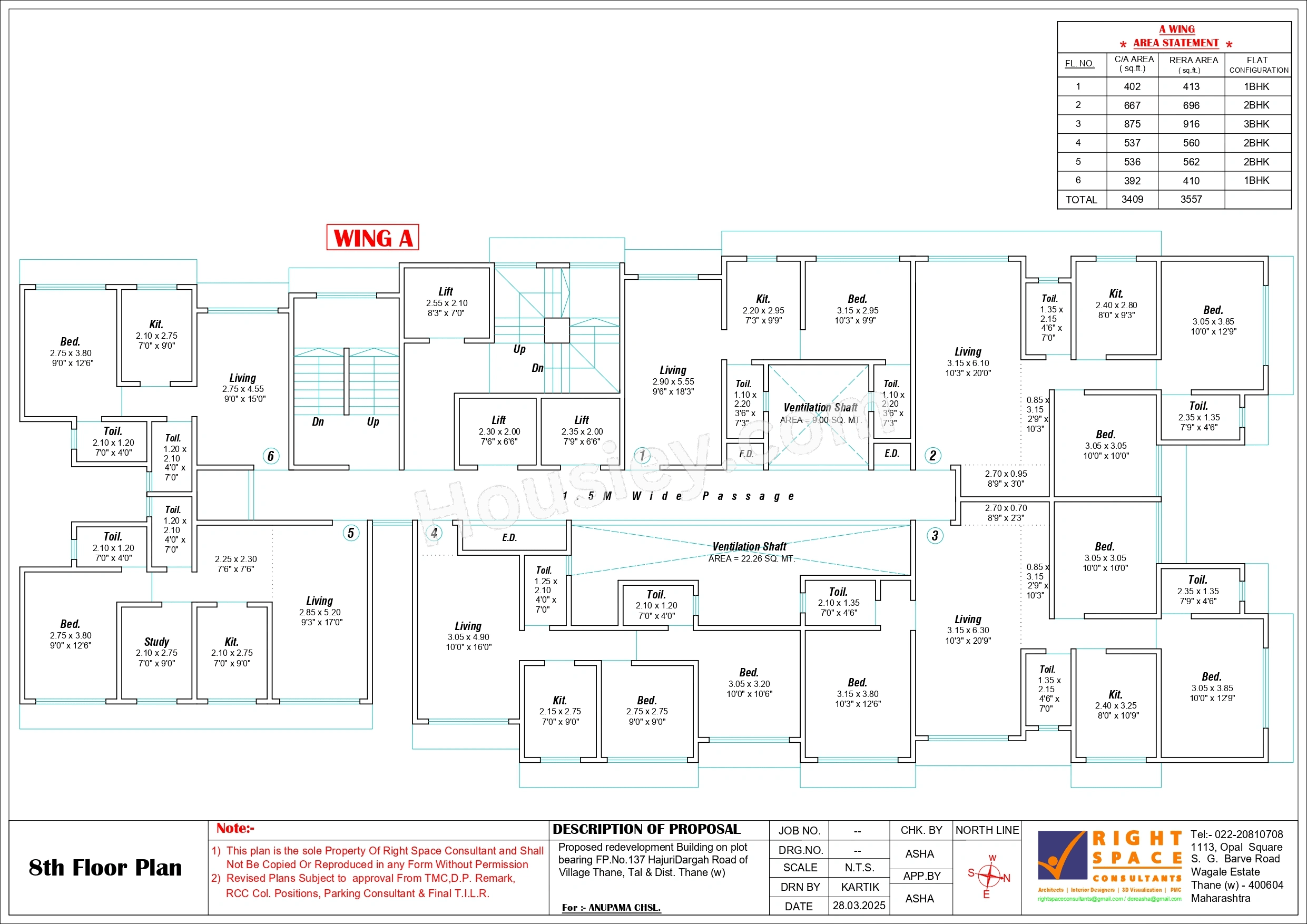
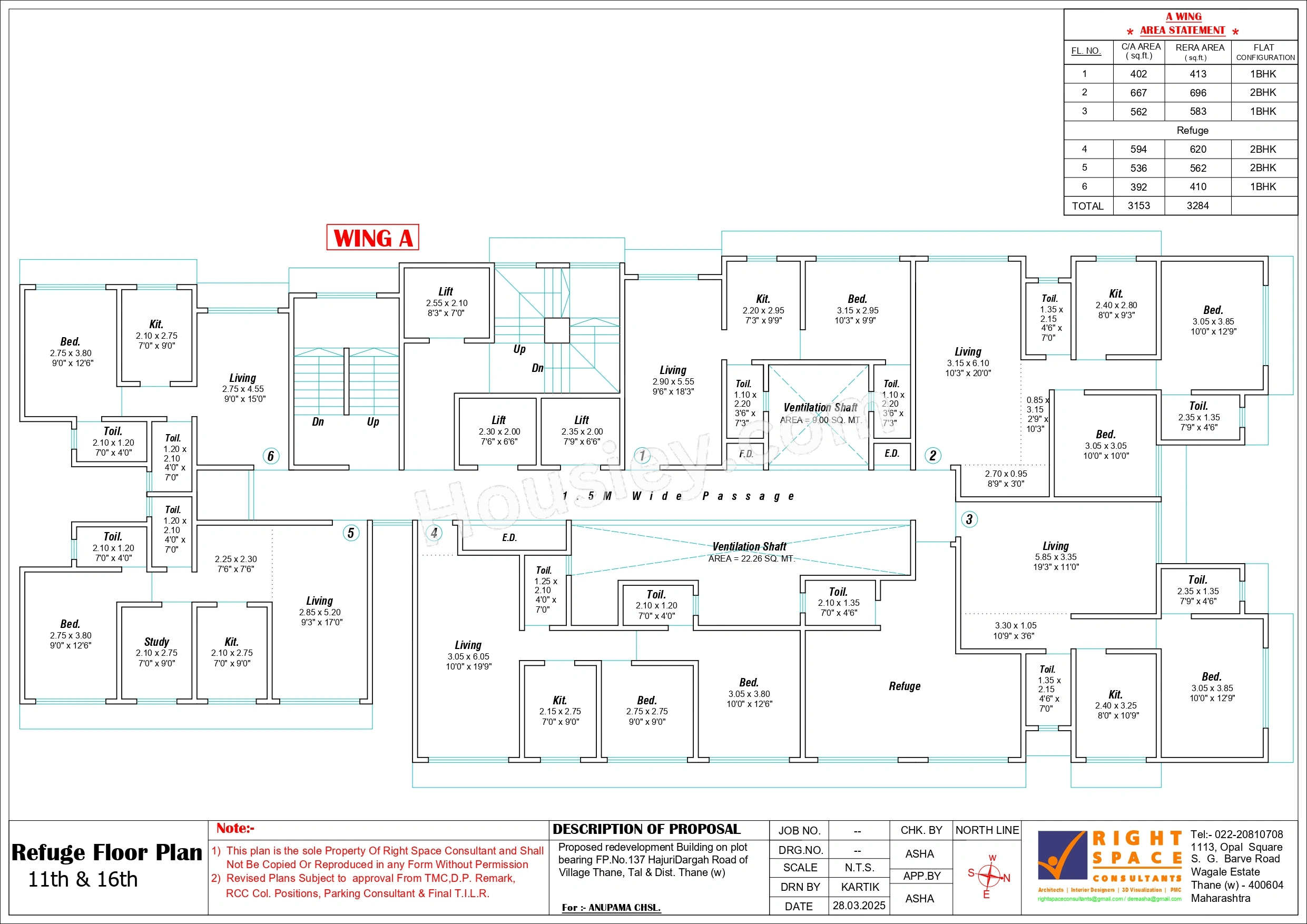
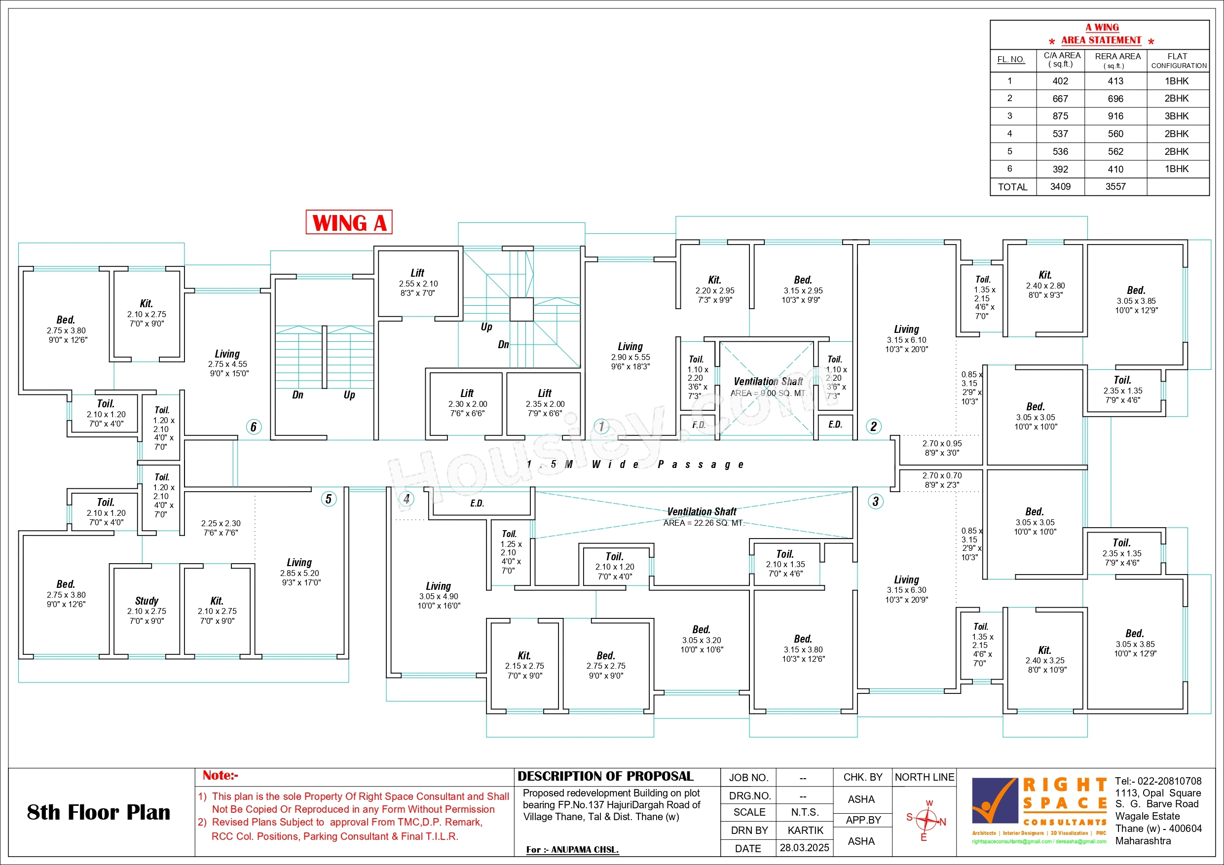
Carpet Area & Floor Plan
V B Veer Sapphire Panchpakhdi project has 1BHK, 2BHK, 3BHK premium residences with -
1BHK - (410 to 413) sqft
2BHK - (562 to 771) sqft
3BHK - 939 sqft
V B Veer Sapphire floor plan
Tower floor plan will have 6 flats 3 lifts & 2 staircases on each floor
Maintenance -
V B Veer Sapphire Thane Project maintenance varies with the configuration and the carpet area which are as follows-
1BHK - Rs 3300 per month
2BHK - Rs (4500 - 5000) per month
3BHK - Rs 7500 per month
Sapphire price & its details can be found in the price section & V B Veer Sapphire Panchpakhdi brochure can be downloaded from the link mentioned below. Project has been praised by the home buyers & V B Group review is 4 out of 5 from over all the clients who have visited the site.
Near Mohan Kopekar Rd, Louis Wadi, Panchpakhdi, Thane
Pros
Cons
Video Door Phone
Vitrified Tiles
Kids Play Area
Senior Citizen Area
Yoga Zone
Meditation Zone
Indoor games
Gymnasium














| Carpet Area | All Inc. Price (Inc. of Taxes & Charges) | Min Downpayment (Inc. Taxes) | Parking | Unit Plan |
|---|
Is there any litigation against this proposed project:
NoVB Group

1 CityLocations
Thane








Housiey Legal: Free Real Estate Legal Consultation
Get Expert Advice on RERA, Builder Refunds, Area Mismatch, Stuck Projects & More - at No Cost!