



Land Parcel
Towers
Floors
Config
Carpet Area
RERA NO.
Possession Status
Target Possession
RERA Possession
Litigation
Rahul Baner Project Overview
Rahul Arcus will be constructed on 6.2 acres of land parcel, 5 tower with B+2G+2P+21 floors having 2 BHK, 3 BHK premium residences.
Rahul Arcus location
Project is located On Mumbai-Bangalore Highway, Baner, Pune with -
D-Mart Baner - 3.0km
Balewadi Phata - 3.1km
Baner Road - 3.5km
Rahul Arcus Baner Project Amenities
First is Internal amenities -
Granite Kitchen, Italian style flooring, Aesthetically Designed door & many more
Rahul Construction Baner External Amenities
Project has 50+ luxurious amenities with likes of -
Club House
Gymnasium
Children's play area
Indoor games
Meditation area & Many More
Rahul Construction Arcus Baner Parking -
Project has two types of car parking facilities which are as follows
Podium & Basement
Rahul Arcus Baner Possession -
Rera Possession - Ready to Move
Target Possession - Ready to Move
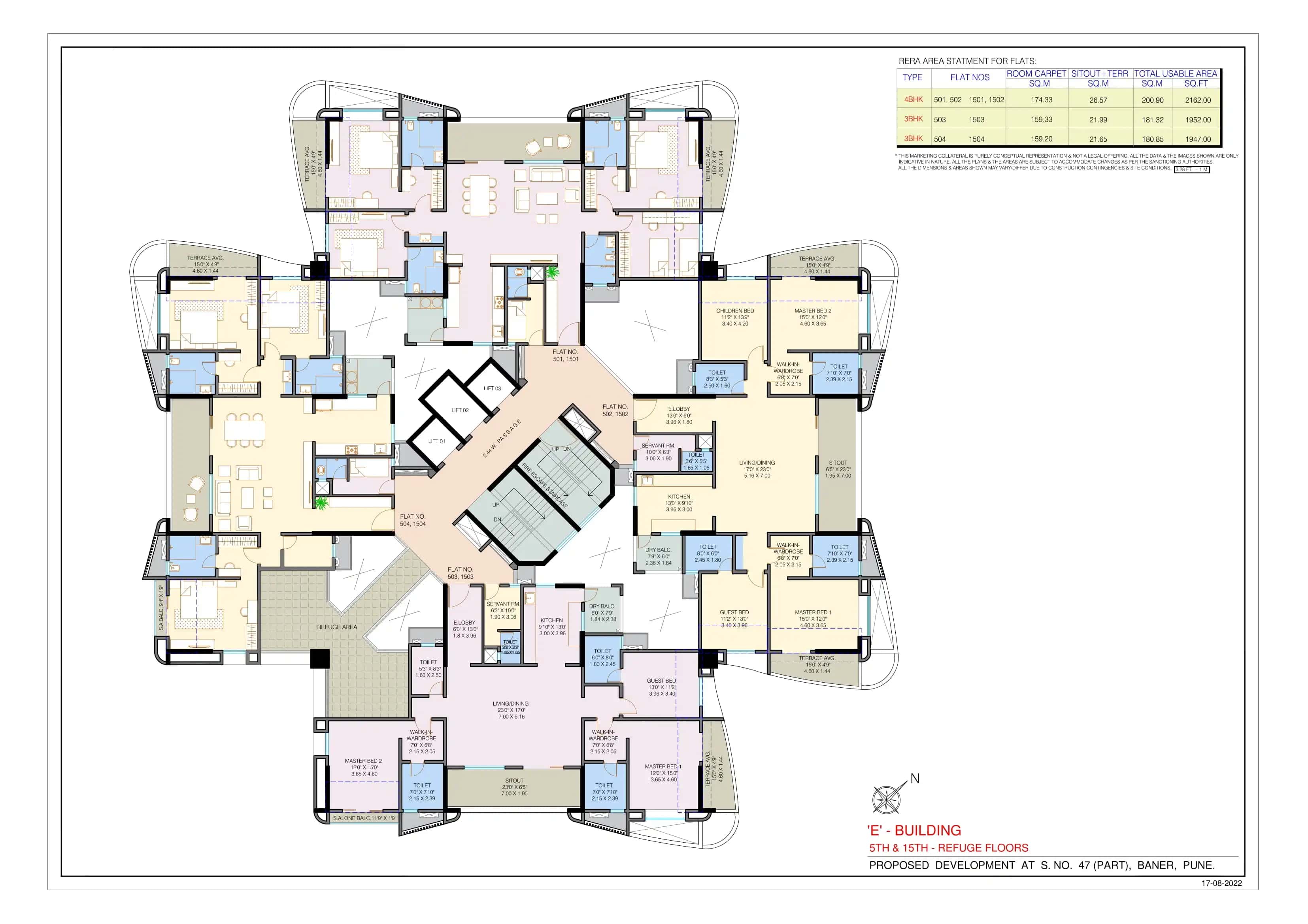
Carpet Area & Floor Plan
Arcus project has 2BHK, 3BHK premium residences with -
2BHK - (1932 to 1952)sqft
3BHK - (2096 to 2162)sqft
Rahul Arcus floor plan
Tower floor plans will have 4 flats & 3 lift 2 staircases on each floor
Maintenance -
Rahul Arcus Pune Project maintenance varies with the configuration and the carpet area which are as follows-
1BHK - (8400 - 9000 per month
2BHK - (9000 - 9500) per month
Rahul Arcus project sample flat is ready to view at the site.
Rahul Arcus Prices & its details can be found in the price section & Rahul Arcus brochure can be downloaded from the link mentioned below. Project has been praised by the home buyers & Rahul Construction Baner review is 4 out of 5 from over all the clients who have visited the site.
On Mumbai-Bangalore Highway, Baner, Pune

Pros
Cons
Vitrified Tiles
Italian Marble
Club House
Kids Play Area
Meditation Zone
Indoor games
Yoga Deck
Badminton Court
Gymnasium





| Carpet Area | All Inc. Price (Inc. of Taxes & Charges) | Min Downpayment (Inc. Taxes) | Parking | Unit Plan |
|---|---|---|---|---|
1932 sqftSold Out | ![]() | - | - | ![]() |
1937 sqftSold Out | ![]() | - | - | ![]() |
1947 sqftSold Out | ![]() | - | - | ![]() |
1952 sqftSold Out | ![]() | - | - | ![]() |


Is there any litigation against this proposed project:
NoRahul Construction Co

1 CityLocations
Pune


1140 - 1841 sqft
Majestique Landmarks
Developer






1434 - 1434 sqft
Sukhwani Associates
Developer
350 - 1189 sqft
Kalpataru Group
Developer

1136 - 1733 sqft
Kolte Patil Developers
Developer
934 - 1460 sqft
Bluepearl Group
Developer


1343 - 1949 sqft
Space Builders Group
Developer




Housiey Legal: Free Real Estate Legal Consultation
Get Expert Advice on RERA, Builder Refunds, Area Mismatch, Stuck Projects & More - at No Cost!