









Land Parcel
Towers
Floors
Config
Carpet Area
RERA NO.
Possession Status
Target Possession
RERA Possession
Litigation
Raahee Charholi Project Overview
Raahee Kasturi Project will be constructed on 1 acre of land parcel, 2 towers with B+G+13 floors having 1 BHK, 2 BHK, 2.5 BHK, 3 BHK premium residences .
Raahee Kasturi location
Project is located Near Tanish Orchid, Charholi, Pune with -
Reliance Smart - 1.5km
MIT Alandi- 2.3km
PMPL Alandi Bus Stand - 2.5km
Raahee Kasturi Charholi Project Amenities
First is Internal amenities -
Earthquake Resistant Structure, Aluminum Sliding Windows Mosquito Nets, Granite SS Sink, Dado Tiles And Anti - Skid Tiles, CCTV Surveillance, Solar Water Heater, Intercom System & many more
Raahee Group Charholi External Amenities
Project has 10+ amenities with likes of -
Senior citizen sit outs
Gymnasium
Jogging track
Club house with indoor games
Children's play area and many more
Raahee Group Kasturi Charholi Parking -
Project has Two types of car parking facility -
1) Basement
2) Ground
Raahee Kasturi Possession -
Rera Possession - December 2026
Target Possession - December 2025
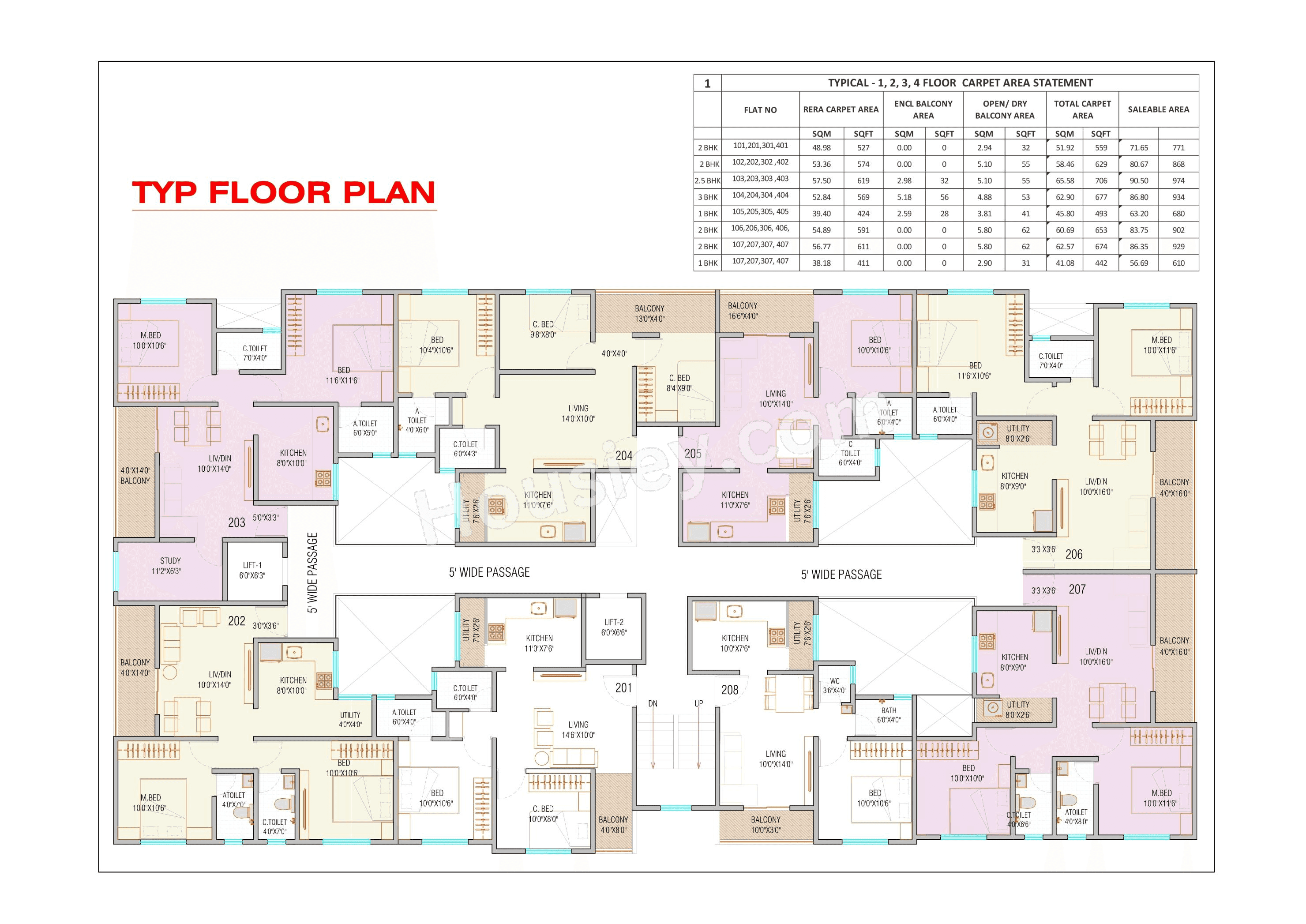
Carpet Area & Floor Plan
Raahee Kasturi Charholi project has 1BHK, 2BHK, 2.5BHK, 3BHK premium residences with -
1BHK - (442 to 493) sqft
2BHK - (559 to 685) sqft
2.5BHK - (677 to 706) sqft
3BHK - (808 to 828) sqft
Raahee Kasturi Floor plan
Floor plan will have 7 flats, 2 Lifts & 2 Staircase on each towers.
Maintenance -
Raahee Kasturi Pune Project maintenance varies with the configuration and the carpet area which are as follows-
1BHK - Rs (1800 - 2000) Per Month
2BHK - Rs (2200 - 2700) Per Month
2.5BHK - Rs (2800 - 2900) Per Month
3BHK - Rs (3200 - 3300) Per Month
Kasturi Charholi Prices & its details can be found in the price section & Raahee Kasturi Charholi brochure can be downloaded from the link mentioned below. Project has been praised by the home buyers & Raahee Group Charholi review is 4 out of 5 from over all the clients who have visited the site
Near Tanish Orchid, Charholi, Pune


Pros
Cons
Intercom Facility
Vitrified Tiles
Granite Kitchen Platform
Stainless Steel Sink
D.G Backup
Solar Water Heater
Mosquito Mesh Windows
+2 More
Club House
Kids Play Area
Jogging Track
Senior Citizen Area
Seating Area
Entrance Gate
Open Car Parking
Indoor games
party lawn
Gymnasium




| Carpet Area | All Inc. Price (Inc. of Taxes & Charges) | Min Downpayment (Inc. Taxes) | Parking | Unit Plan |
|---|---|---|---|---|
442 sqftSold Out | ![]() | - | - | ![]() |
493 sqftSold Out | ![]() | - | - | ![]() |


Is there any litigation against this proposed project:
NoRaahee Kasturi Commencement Certificate
Raahee Kasturi Legal Title Report
Raahee Kasturi Building Plan
Note: You can download more detailed documents by following this link
Raahee Group

1 CityLocations
Pune


891 - 1294 sqft
Swastik Developers
Developer

651 - 847 sqft
Kalpdeep Group
Developer
683 - 925 sqft
Lotus Group the City
Developer

683 - 897 sqft
Mangalam Landmarks
Developer

1566 - 1566 sqft
Kalpdeep Group
Developer


482 - 742 sqft
RKL Lunkad Housing Corp
Developer

748 - 1131 sqft
Shubh Ganesh Properties
Developer
677 - 931 sqft
Pratham Yash Builders
Developer
530 - 745 sqft
Kalpdeep Group
Developer
465 - 664 sqft
Tirupati Group
Developer
507 - 1052 sqft
RKL Lunkad Housing Corp
Developer

Housiey Legal: Free Real Estate Legal Consultation
Get Expert Advice on RERA, Builder Refunds, Area Mismatch, Stuck Projects & More - at No Cost!