Last updated: Sep 24, 2025








Land Parcel
Towers
Floors
Config
Carpet Area
RERA NO.
Possession Status
Target Possession
RERA Possession
Litigation
Samarpan Borivali East Project Overview
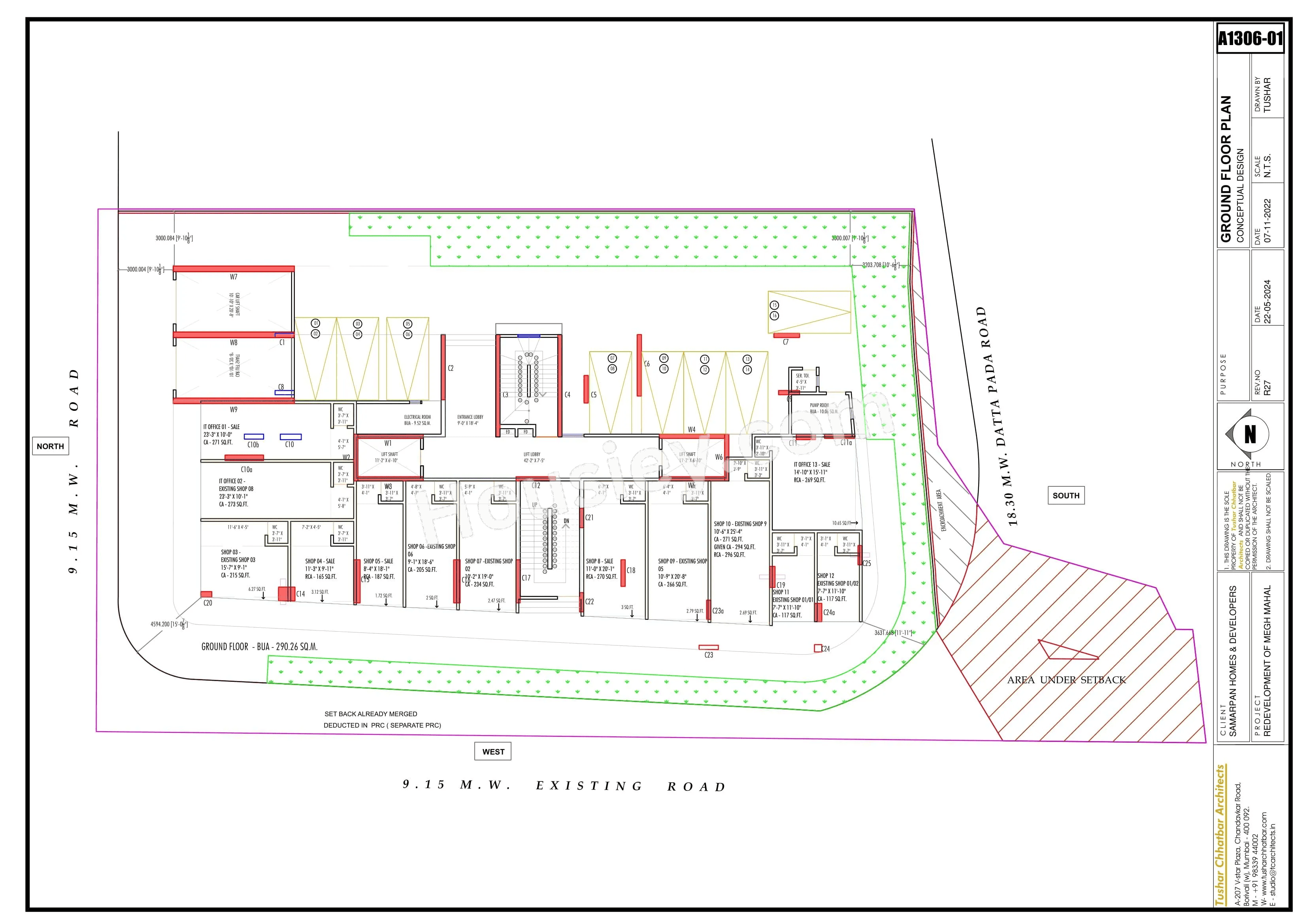
Samarpan Megh Mahal will be constructed on 0.38 acre of land parcel, 1 tower with G+1C+3P+14 floors having 1 BHK, 2 BHK, 3 BHK premium residences.
Samarpan Megh Mahal location
Project is located On Asara Colony Rd, Jaya Ngr, Borivali East, Mumbai with -
Borivali Railway Station - 400m
WEH - 750m
Devipada Metro Station - 1.4km
Samarpan Megh Mahal Borivali East Project Amenities
First is Internal amenities -
Vitrified Tiles, Branded Fittings, Kitchen Platform & many more
Samarpan Homes and Developers Borivali East External Amenities
Project has 15+ luxurious with likes of - .
Gymnasium
Kids Play Area
Senior Citizen Area
Jogging Track
Yoga Room & Many More
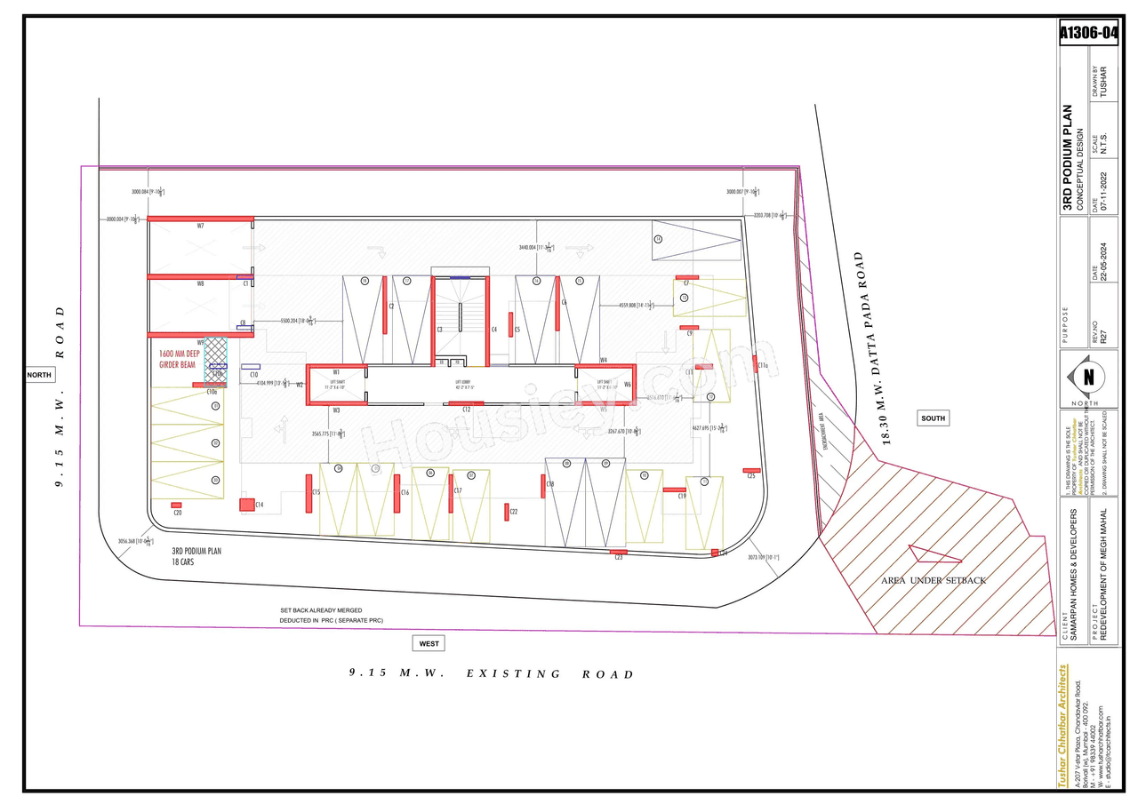
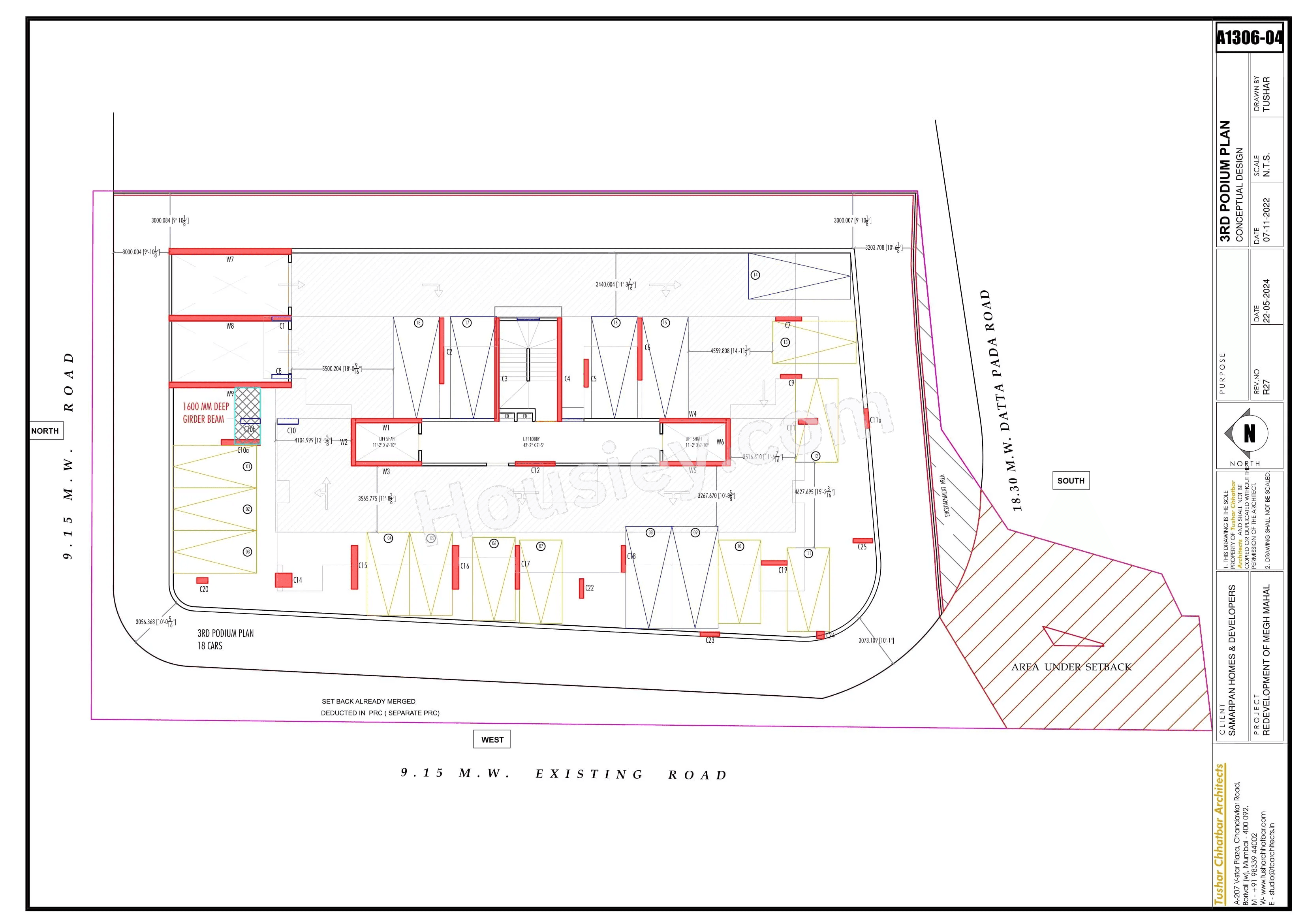
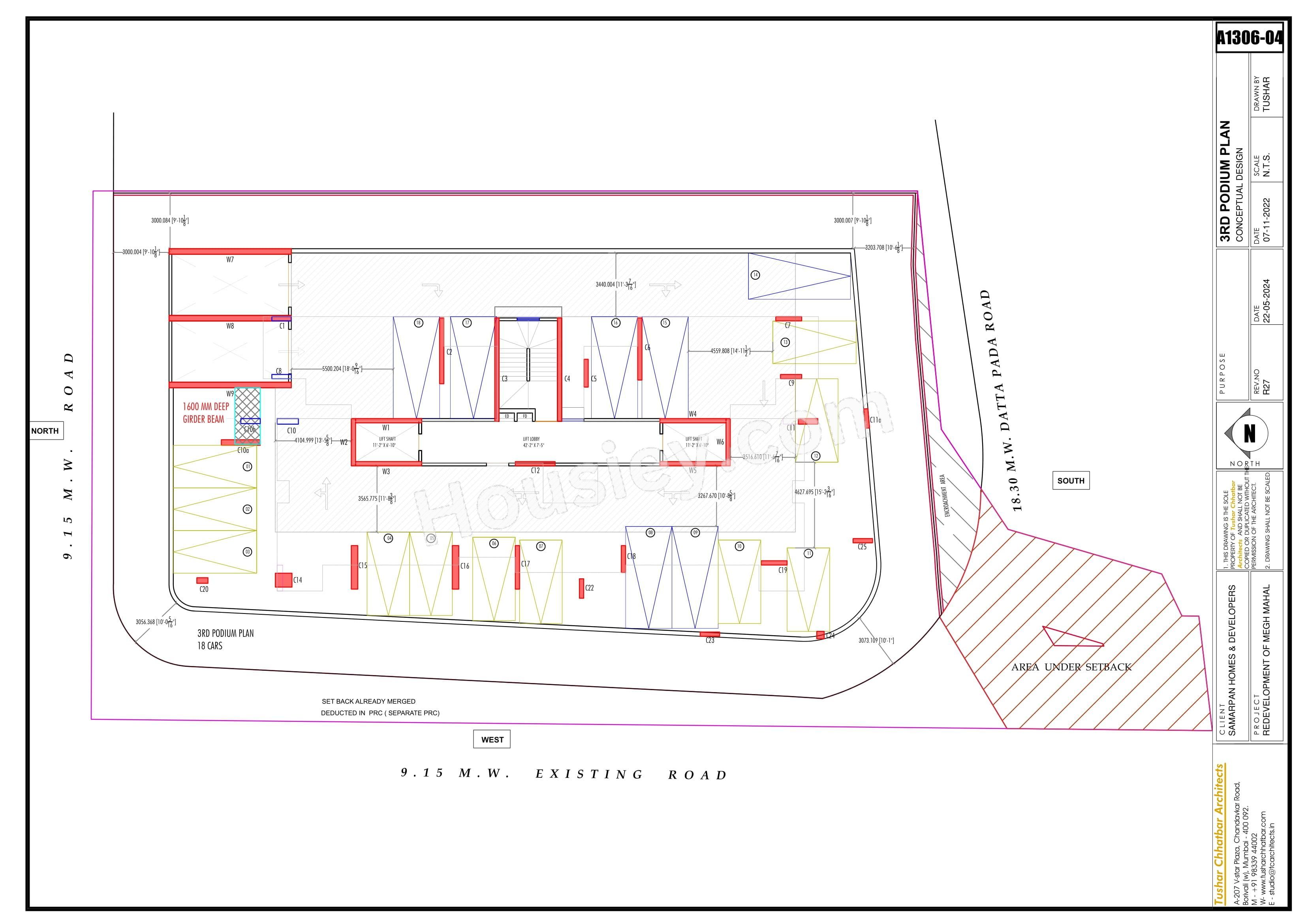
Samarpan Homes and Developers Megh Mahal Borivali East Parking -
Project has one type of car parking facility -
1) Podium Parking
Samarpan Megh Mahal Possession -
Rera Possession - December 2027
Target Possession - March 2027
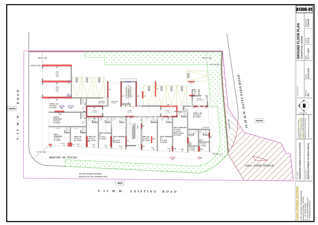
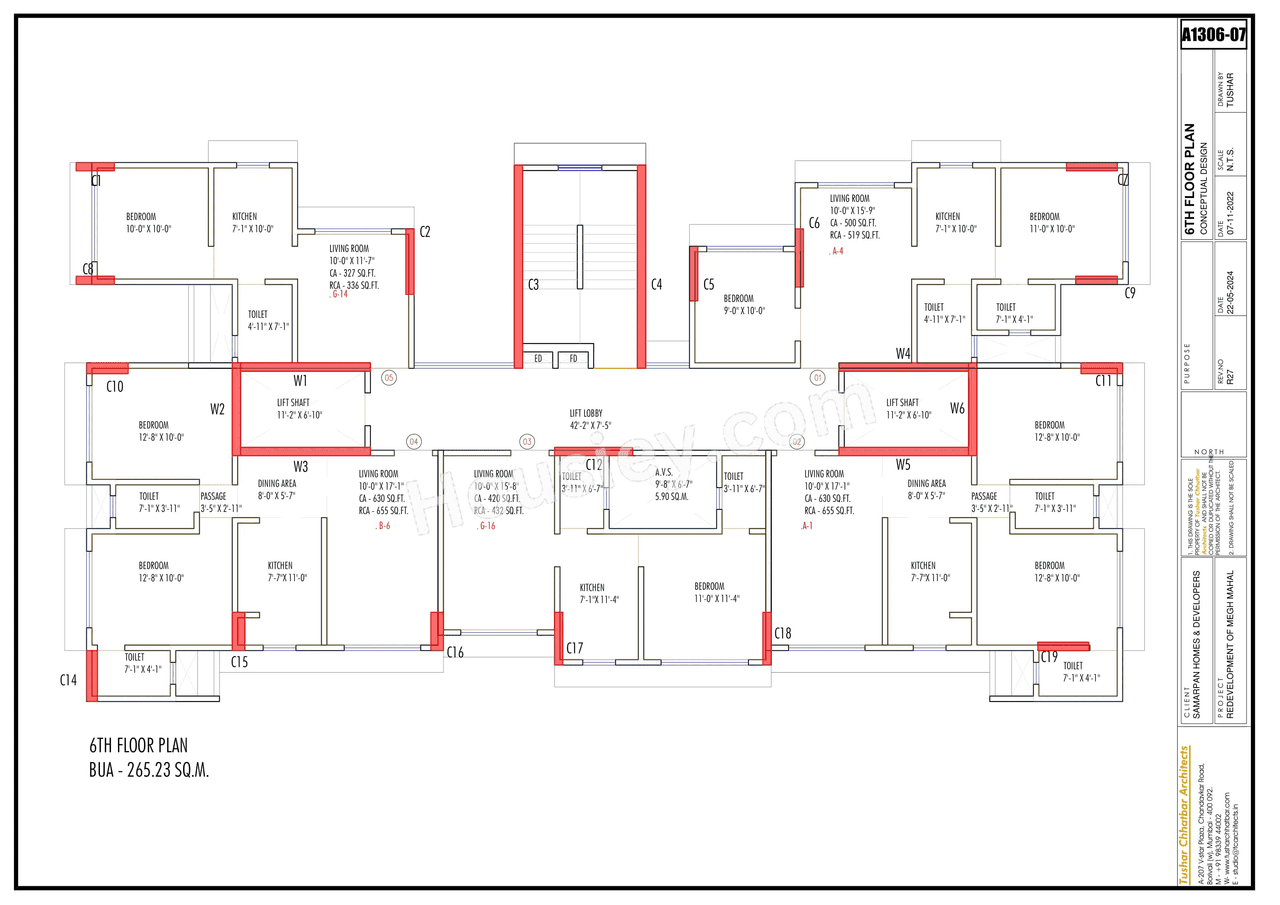
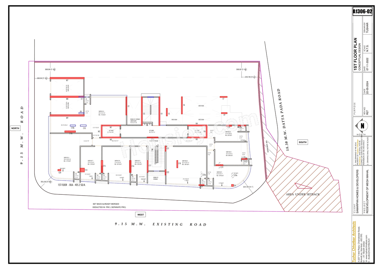
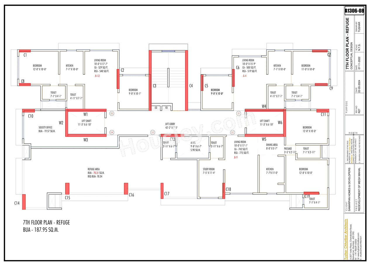
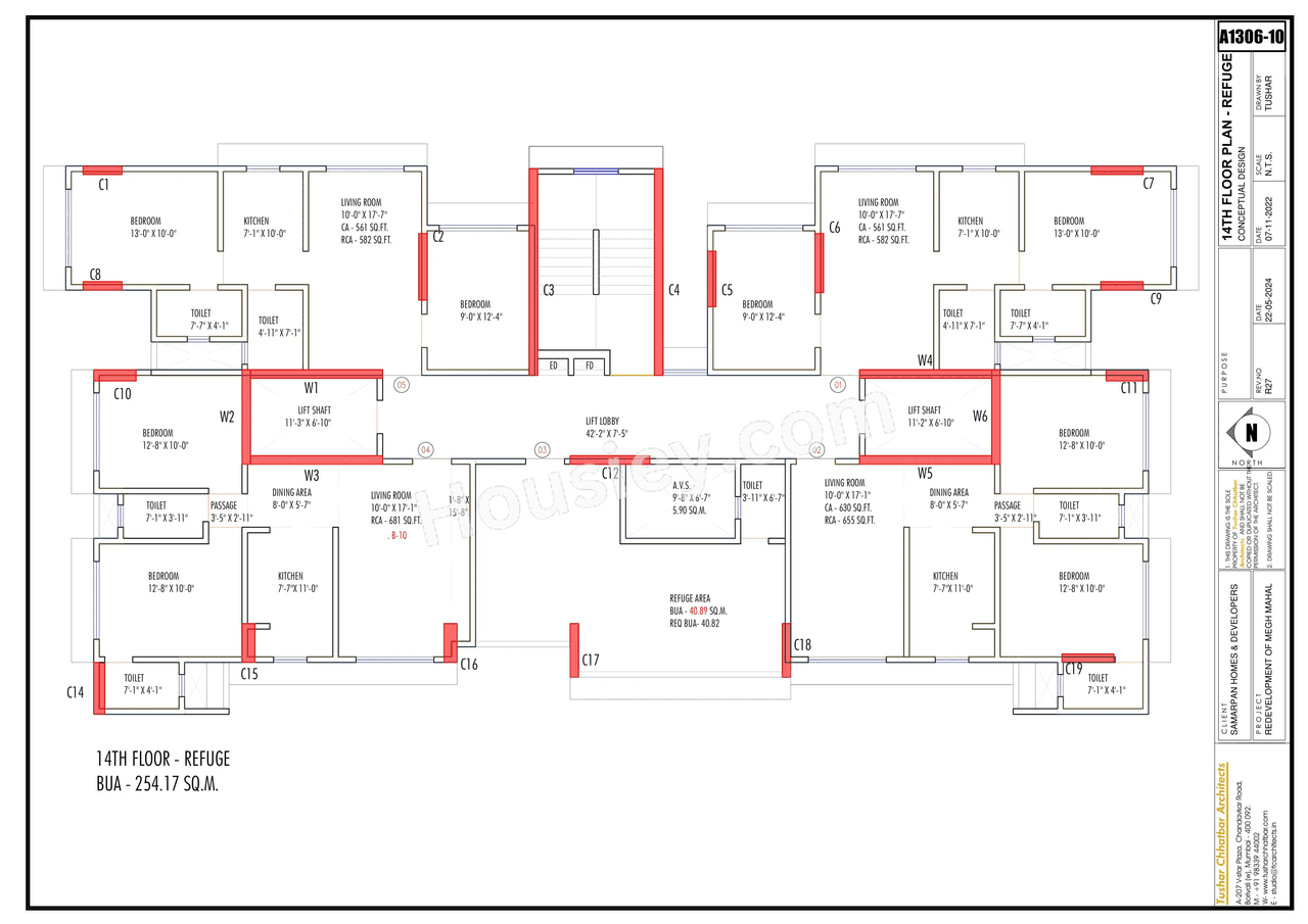
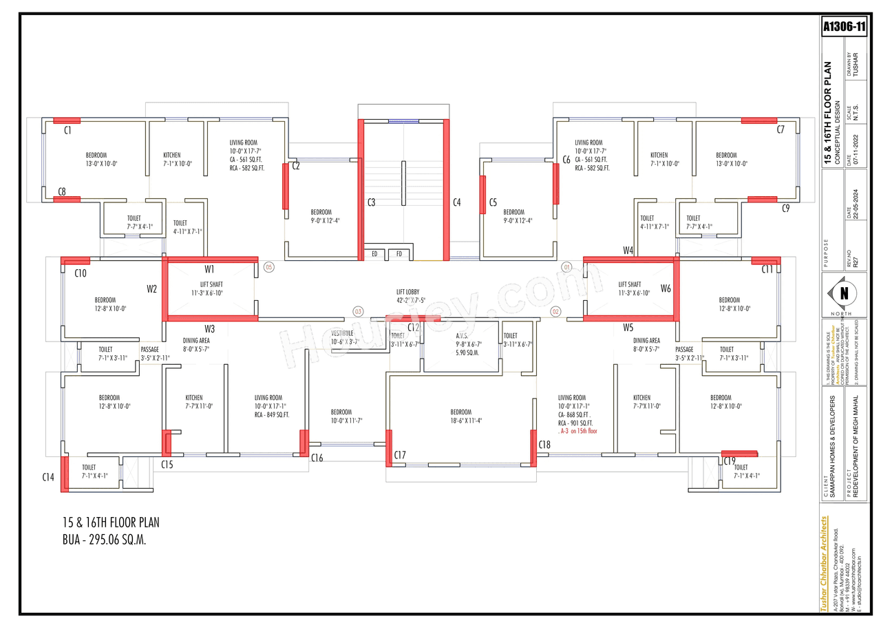
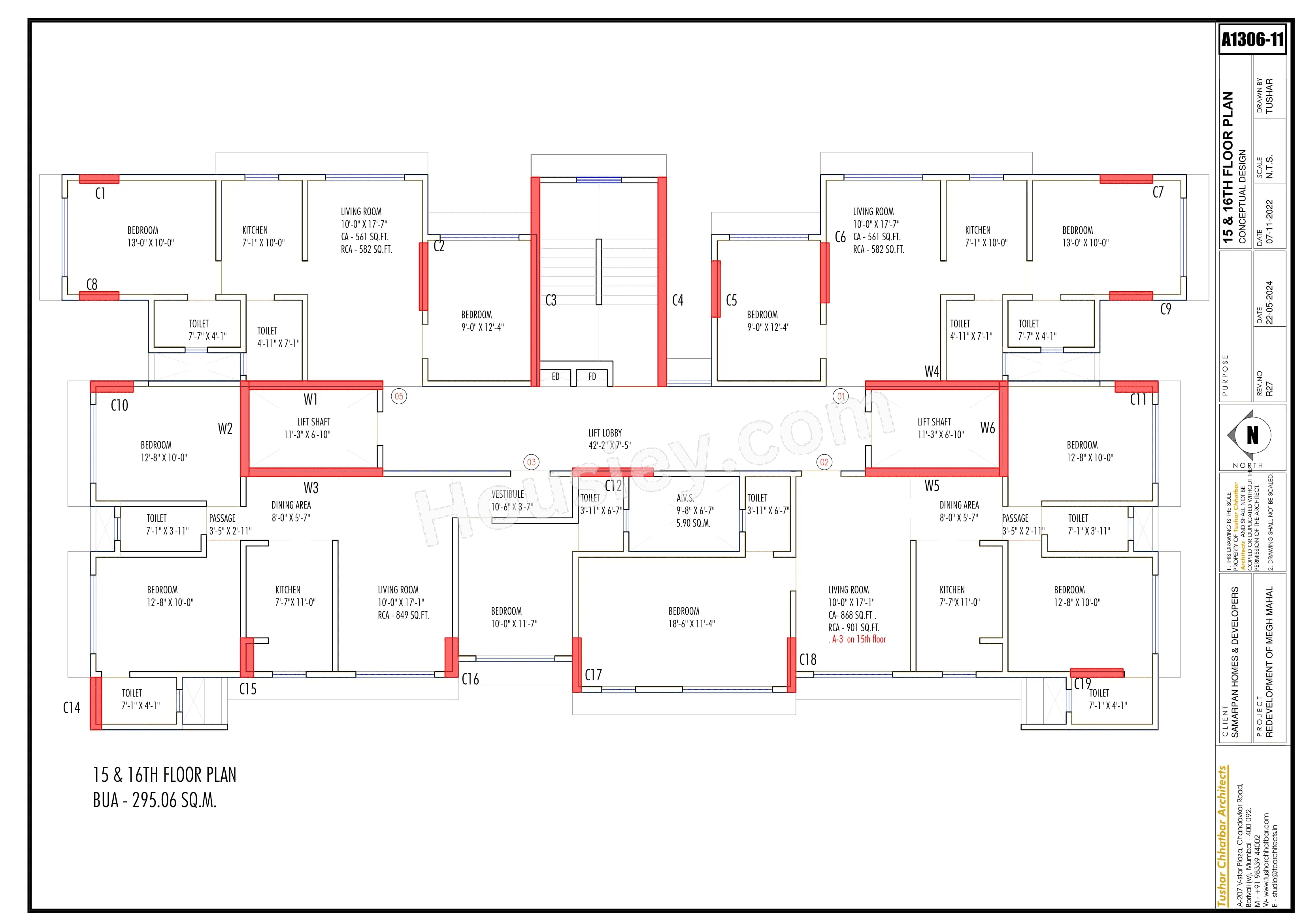
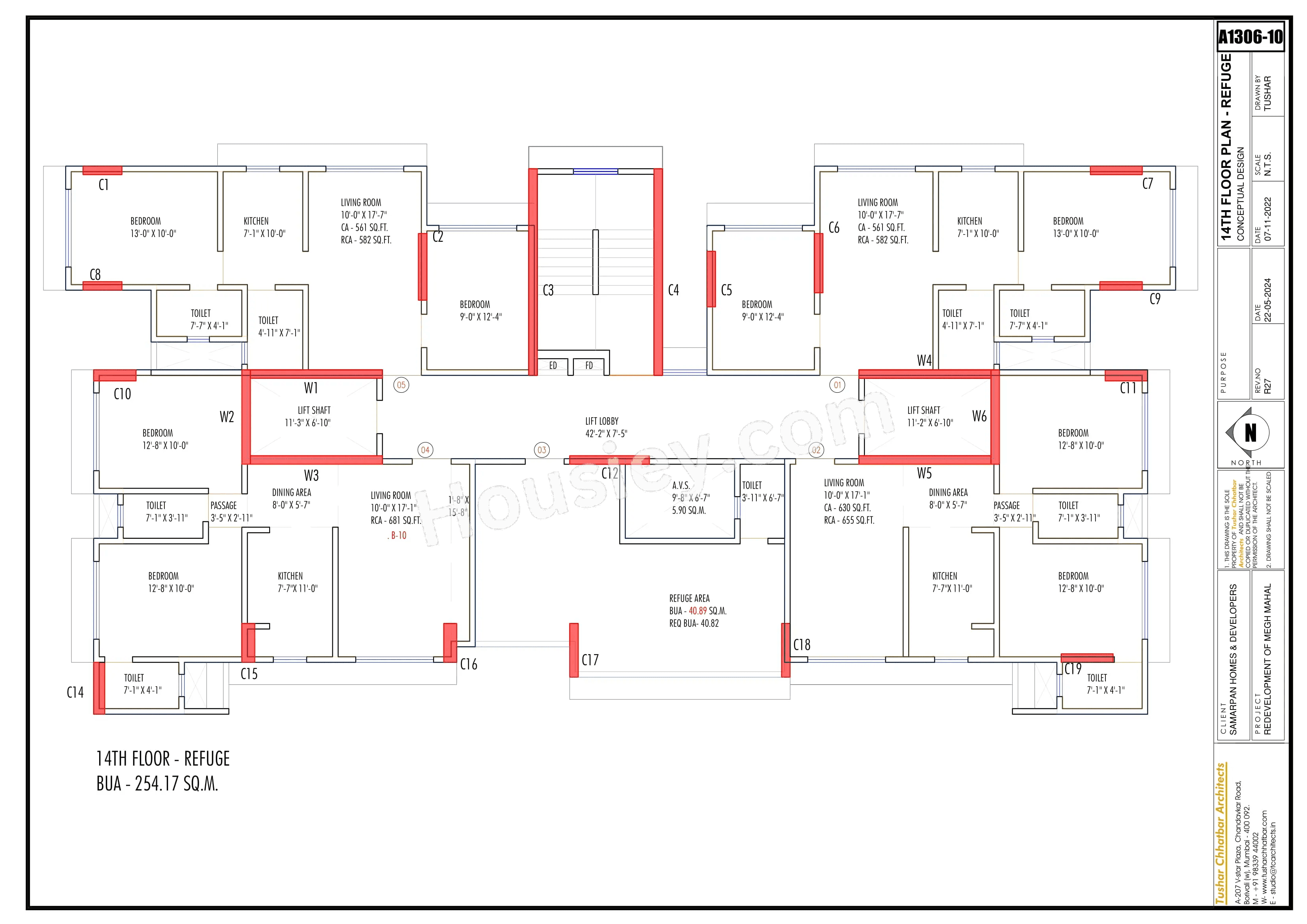
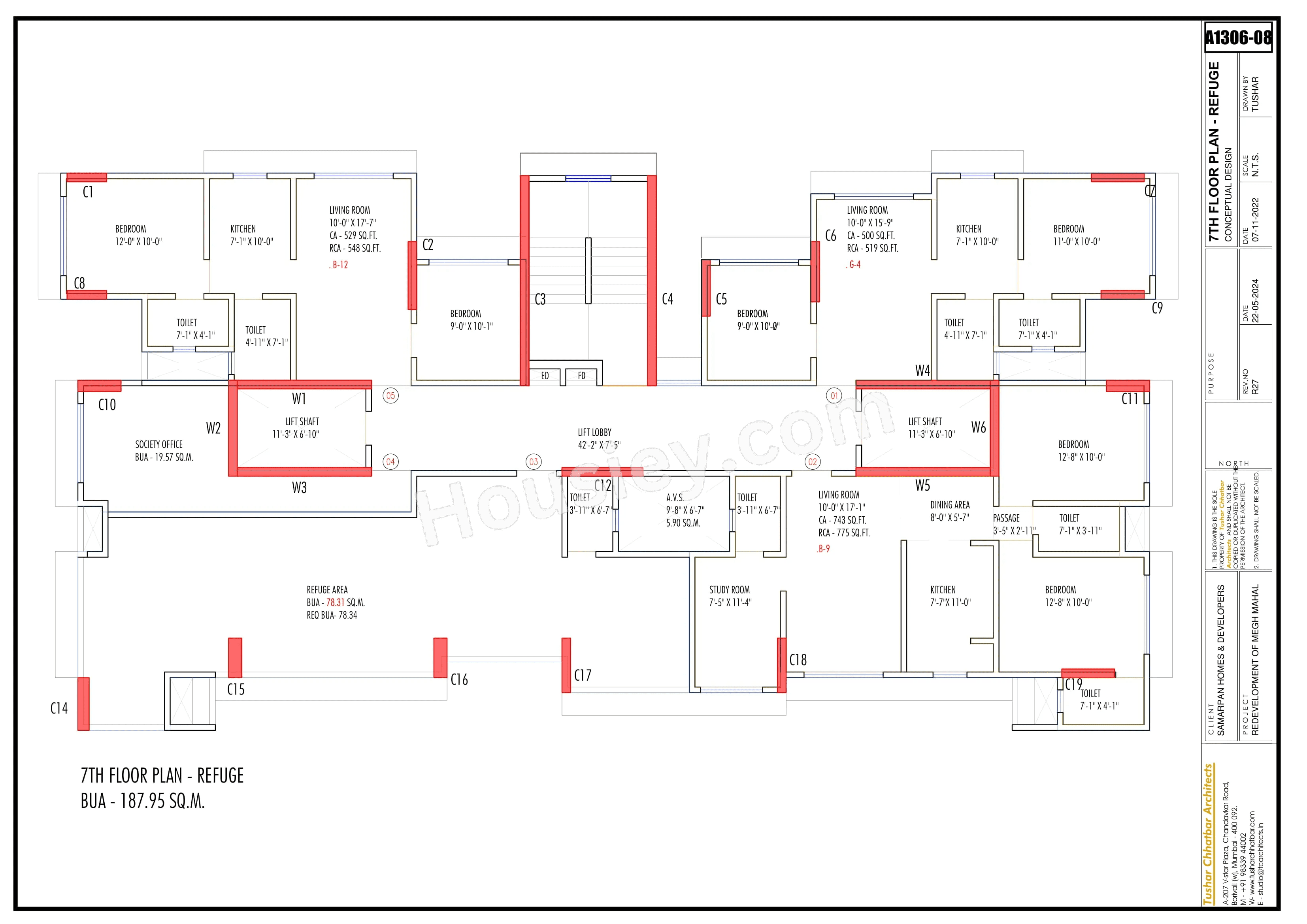
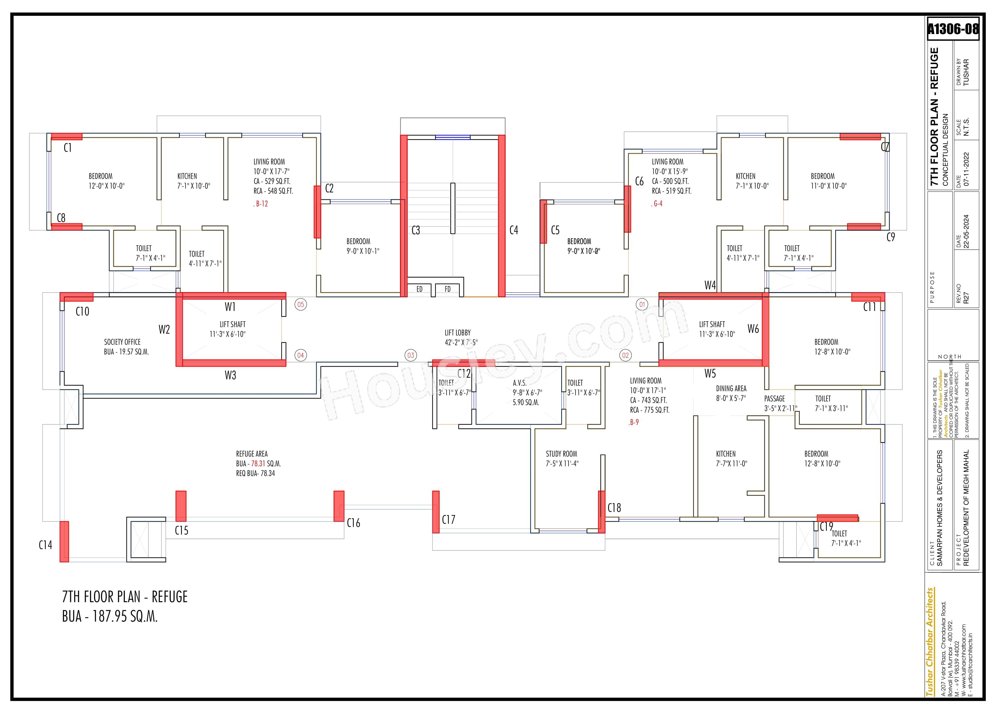
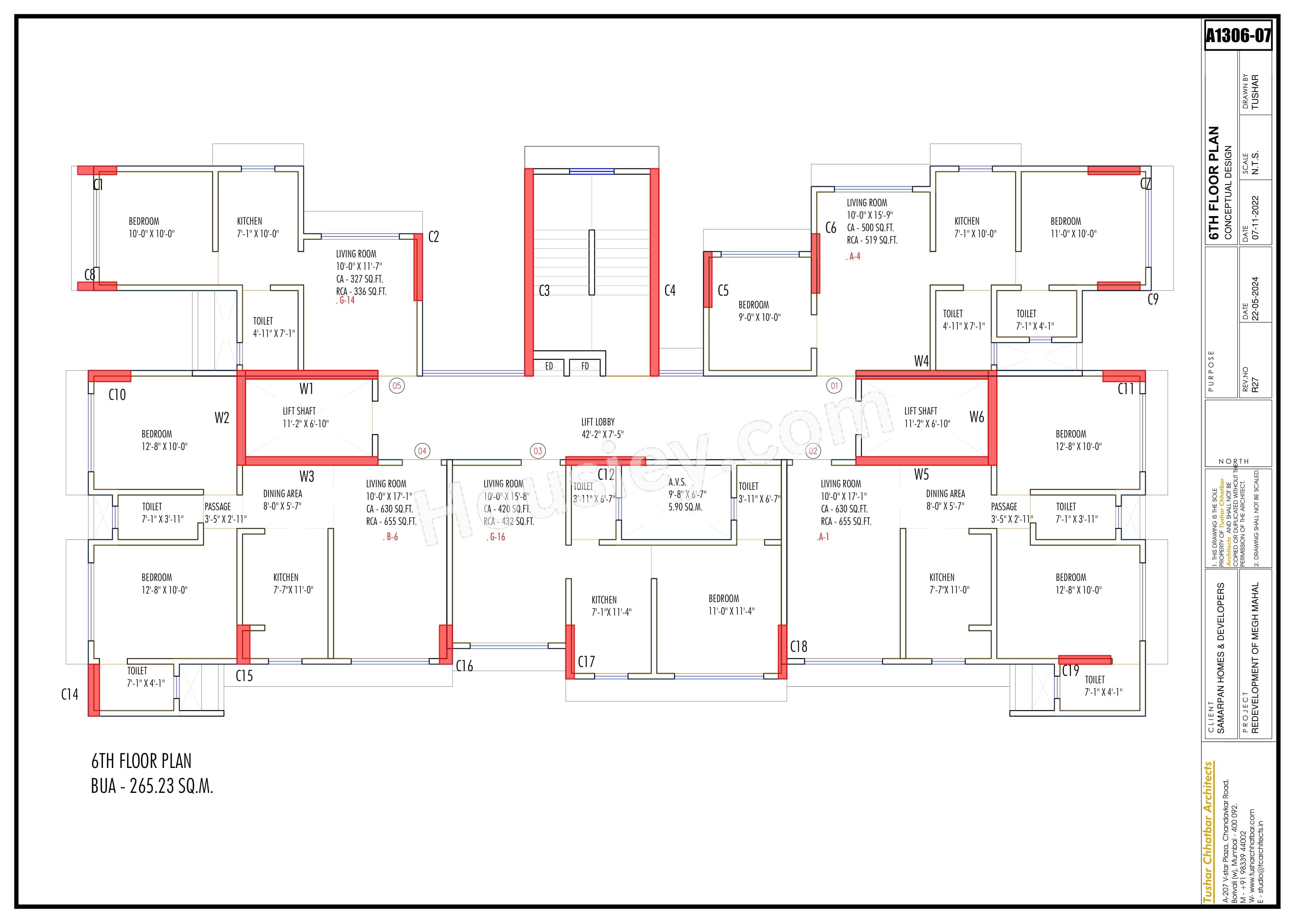
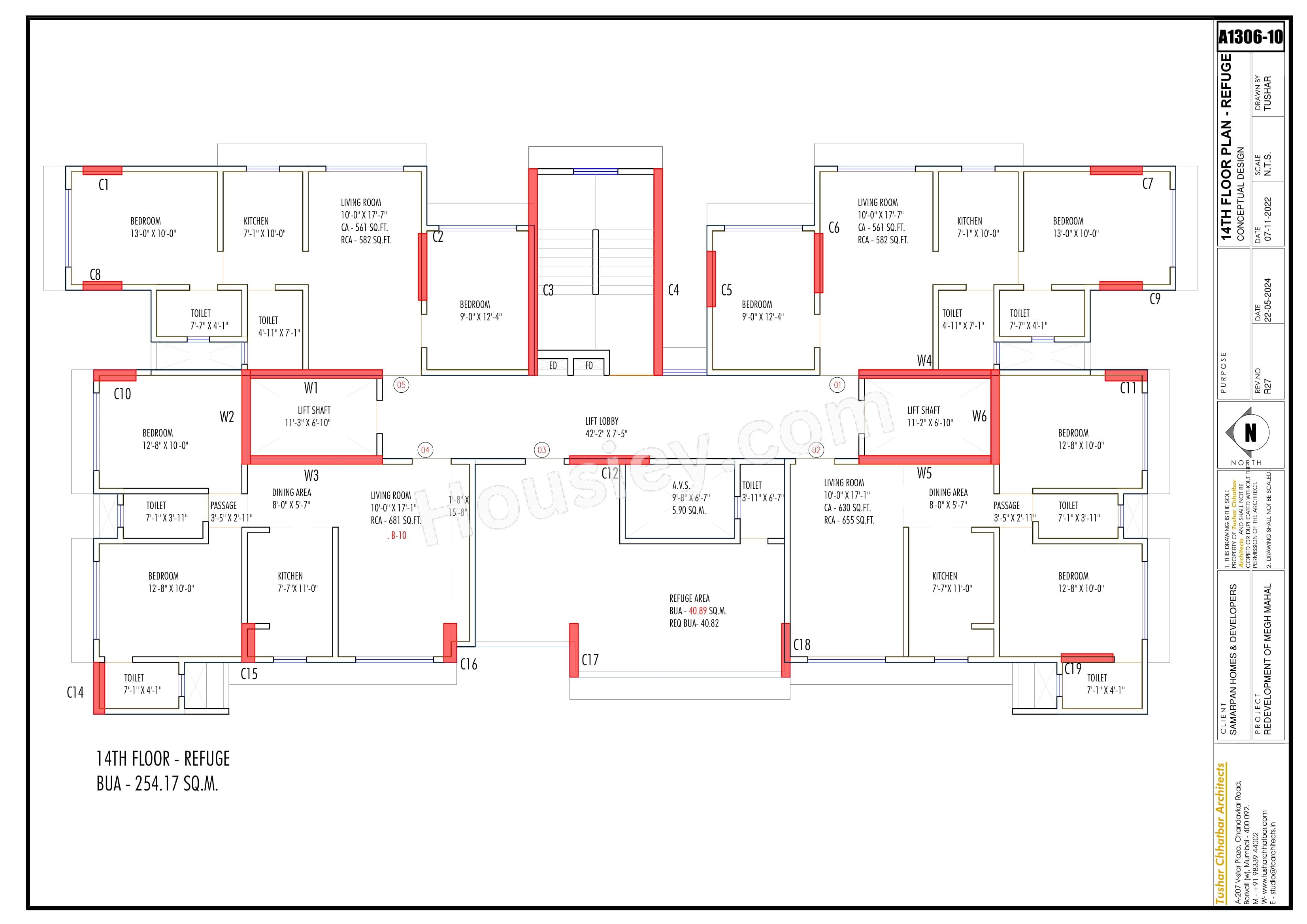
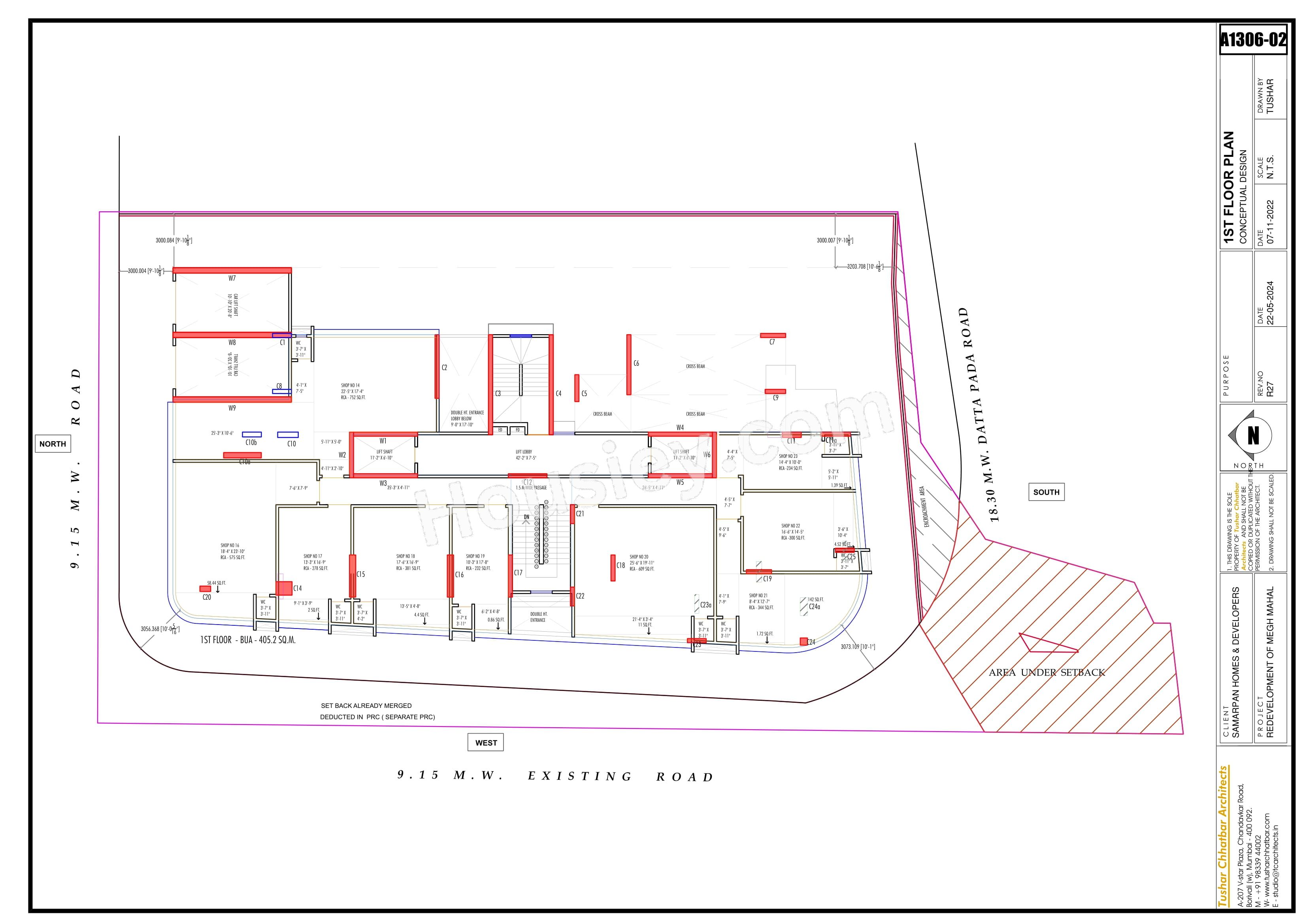
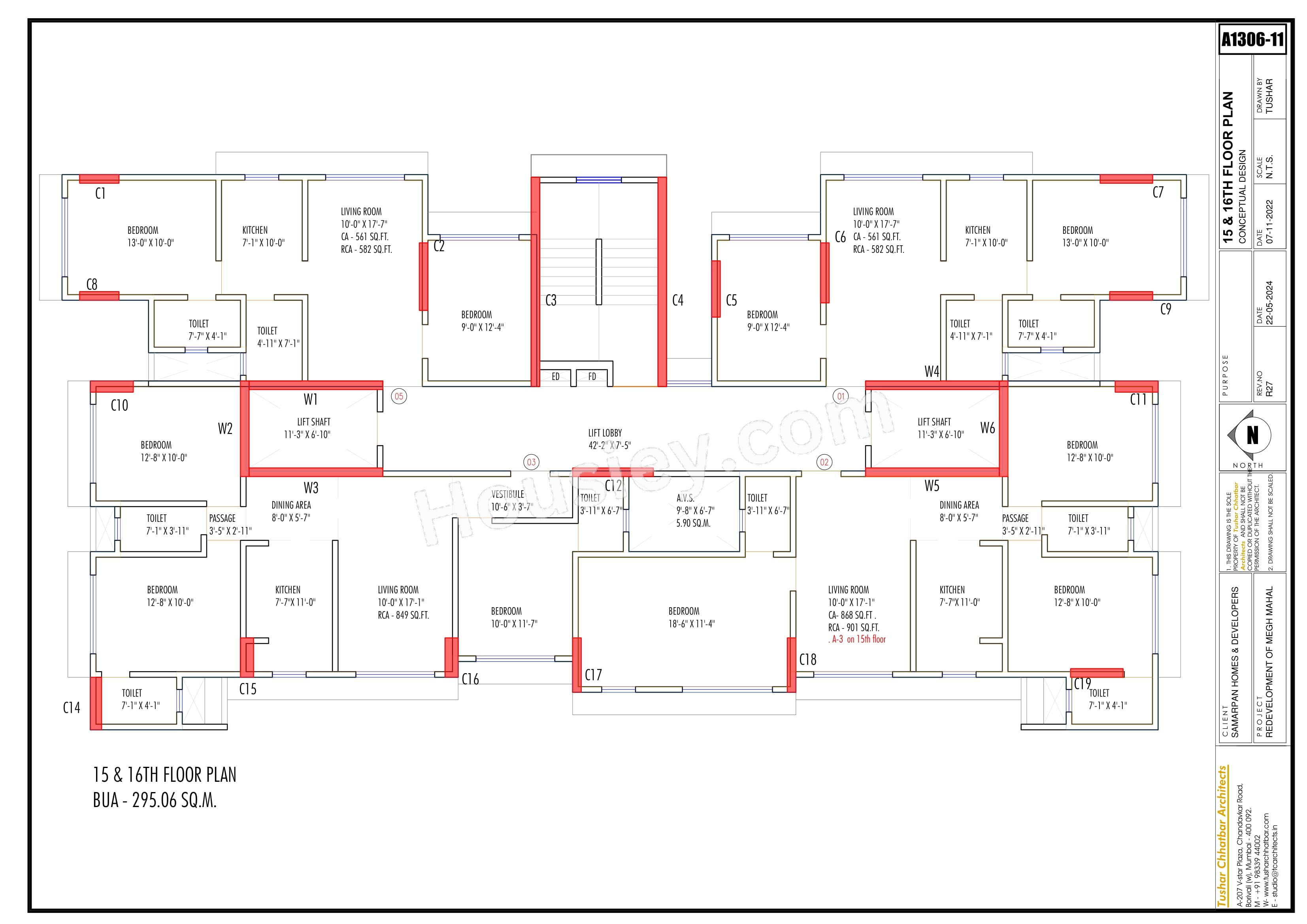
Carpet Area & Floor Plan
Samarpan Megh Mahal Borivali East project has 1BHK, 2BHK, 3BHK premium residences with -
1BHK - 432 sqft
2BHK - (582 to 655) sqft
3BHK - (849 to 901) sqft
Samarpan Megh Mahal floor plan
Tower floor plan will have 5 flats 2 lifts & 1 staircase on each floor
Maintenance -
Samarpan Megh Mahal Mumbai Project maintenance varies with the configuration and the carpet area which are as follows-
1BHK - Rs 5616 per month
2BHK - Rs (7600 - 8500) per month
3BHK - Rs (11000 - 11700) per month
Megh Mahal Borivali East project sample flat is not ready to view at the site.
Megh Mahal Borivali East Prices & its details can be found in the price section & Samarpan Megh Mahal Borivali East brochure can be downloaded from the link mentioned below. Project has been praised by the home buyers & Samarpan Homes and Developers Borivali East review is 4 out of 5 from over all the clients who have visited the site.
On Asara Colony Rd, Jaya Ngr, Borivali East, Mumbai

Pros
Cons
Vitrified Tiles
Granite Kitchen Platform
Branded Fittings
CCTV Camera
Fire Fighting
Kids Play Area
Jogging Track
Multi Purpose Court
Senior Citizen Area
Rooftop Deck
Roof Top Sky Garden
Seating Area
Yoga Deck
Gymnasium
Fitness Deck













| Carpet Area | All Inc. Price (Inc. of Taxes & Charges) | Min Downpayment (Inc. Taxes) | Parking | Unit Plan |
|---|---|---|---|---|
432 sqft | 1.21 Cr All In | 18.00 Lacs | 1 | ![]() |

Is there any litigation against this proposed project:
Yes| Court Name | City | Case Type | Petition | Case Number | Year | Case Status |
|---|---|---|---|---|---|---|
| High Court | Mumbai | Civil | Arbitration Petition | 12358 | 2024 | Ongoing |
Samarpan Megh Mahal Commencement Certificate
Samarpan Megh Mahal Legal Title Report
Samarpan Megh Mahal Building / Layout Plan
Note: You can download more detailed documents by following this link
Samarpan Homes and Developers

2 CitiesLocations
Mumbai City, Mumbai suburban

634 - 1278 sqft
CCI Projects Pvt Ltd
Developer





914 - 2630 sqft
Goodwill Developers
Developer
713 - 1114 sqft
CCI Projects Pvt Ltd
Developer
772 - 1263 sqft
CCI Projects Pvt Ltd
Developer

377 - 530 sqft
Haware Properties
Developer


450 - 1048 sqft
Dhariwal Developers
Developer

428 - 700 sqft
Shraddha Prime Projects
Developer


428 - 1032 sqft
Samarpan Homes and Developers
Developer
Housiey Legal: Free Real Estate Legal Consultation
Get Expert Advice on RERA, Builder Refunds, Area Mismatch, Stuck Projects & More - at No Cost!